Genuine YC4F115-30(F50SA) Engine Parts - Water Pump, Fan, Alternator, Air Compressor
|
Engine Model |
YC4F115-30(F50SA) |
|
Rated Power |
85kW (115HP) @ 3200 rpm |
|
Rated Torque |
285 N·m @ 2200 rpm |
|
Emission Standard |
Euro Ⅲ (GB17691-2005 China Ⅲ) |
|
Aspiration Method |
Turbocharged & Intercooled |
|
Application |
6m Bus, Pickup, SUV, Light-duty Commercial Vehicles |
Product Description
Confirm Compatibility
All parts are 100% compatible with Yuchai YC4F115-30(F50SA) turbocharged intercooled diesel engine. This 4-cylinder in-line model has 2.66L displacement, 85kW (115HP) rated power at 3200 rpm, and meets Euro Ⅲ standards. Widely used in 6m buses, pickups, SUVs, and light-duty commercial vehicles, our parts perfectly match the engine’s specs for daily maintenance or emergency repairs.
Parts Coverage
Our parts cover key systems of YC4F115-30(F50SA) (per Yuchai’s 2008 catalogue): cylinder block & head (with EWP-marked wear parts), lubrication (oil sump, pump, filter), fuel injection (injection pump, injector), cooling & turbo (water pump, thermostat, turbocharger), and electrical & auxiliary parts (alternator, starter, sensors), meeting all maintenance needs.
Quality Assurance
All parts adhere to Yuchai’s technical standards, referencing the 2008 YC4F115-30(F50SA) catalogue. EWP parts use high-durability materials and pass strict tests. We offer a 12-month warranty and 24-hour technical support with English guidance to ensure seamless installation and reliable performance.
Practical Tips
For accurate selection, refer to original part numbers or provide your engine’s production batch. Our parts suit routine maintenance, overhauls, and emergency repairs, efficiently restoring the YC4F115-30(F50SA) engine’s performance and minimizing vehicle downtime.
Detail Parts List
1、 F50JA—1307000/04 Water Pump Assembly

|
Item |
Part No. |
Name |
Qty. |
Remark |
|
1 |
F300A-1307250B |
Water inlet pipe subassembly ofWater pump |
1 |
|
|
2 |
Q618B03 |
Screw plug |
1 |
|
|
3 |
F7100-1307263 |
Bypass valve hose |
1 |
|
|
4 |
Q67650 |
Ring hoop 50 |
2 |
|
|
5 |
F3100-1307100C |
Water pump parts |
1 |
|
|
6 |
150-3701040B |
Alternator belt |
2 |
Easy Wear Part |
|
7 |
Q1840870TF2 |
Bolt M8×70 |
1 |
|
|
8 |
F3000-1307001 |
Water pump washer |
1 |
Easy Wear Part |
2、F30SA-1308000/06 Fan Assembly

|
Item |
Part No. |
Name |
Qty. |
Remark |
|
1 |
Q1841020TF2 |
Bolt M10X20 |
4 |
|
|
2 |
F3000-1308010 |
Fan |
1 |
|
|
3 |
388-1308015C |
Cushion block |
1 |
|
|
4 |
Q1841030TF2 |
Bolt M10X30 |
4 |
3、F50JM-1600000/02 Power Output Assembly

|
Item |
Part No. |
Name |
Qty. |
Remark |
|
1 |
Q1840630 |
Bolt M6×30 |
1 |
|
|
2 |
F5000-1600413 |
Bushing |
1 |
|
|
3 |
F5A00-1600401B |
Flywheel case |
1 |
|
|
4 |
Q1840612 |
Bolt M6×12 |
8 |
|
|
5 |
B3000-1600021 |
Cover plate |
2 |
|
|
6 |
Q1841230TF2 |
Bolt |
10 |
|
|
7 |
YC24-1020 |
Pin |
4 |
|
|
8 |
F5000-1005360B |
Flywheel and gear ring |
1 |
|
|
9 |
F3000-1005063 |
Flywheel bolt |
6 |
|
|
10 |
F30SA-1005365 |
Bearing seat |
1 |
|
|
11 |
GB/T276-6203-2RS |
Rolling bearing |
1 |
|
|
12 |
Q2820608T10F9 |
Slotted flat end fixing screw |
1 |
4、F300D-3407000/04 Steering Pump Assembly

|
Item |
Part No. |
Name |
Qty. |
Remark |
|
1 |
YC208-B07500F |
O-ring |
1 |
Eesy Wear Part |
|
2 |
F3100-1002209A |
Steering pump cover plate |
1 |
|
|
3 |
Q1841020 |
Bolt M10X20 |
2 |
5、F50FC-3509000/03 Pneumatic Air Compressor Assembly

|
Item |
Part No. |
Name |
Qty. |
Remark |
|
1 |
E0208-3509070 |
Air outlet joint subassembly |
1 |
|
|
2 |
Q/YC901-3C22 |
Washer |
1 |
|
|
3 |
F3700-3509100B |
Air compressor |
1 |
langfang |
|
4 |
F50JG-3509340 |
Air compressor water inlet pipe subassembly |
1 |
|
|
5 |
Q/YC149-14 |
Seal washer 14 |
10 |
Eesy Wear Part |
|
6 |
6QA6-1307017 |
Bolt |
5 |
|
|
7 |
630-3509030 |
Air intake pipe joint subassembly |
1 |
|
|
8 |
F31FE-3509240 |
Oil inlet pipe assembly, air compressor |
1 |
|
|
9 |
M3200-1104363 |
Rubber sleeve |
1 |
|
|
10 |
B3221-1104122 |
Pipe clamp |
2 |
|
|
11 |
Q150B0616 |
Bolt M6X16 |
1 |
|
|
12 |
F31FE-3509601 |
Clamp bracket |
1 |
|
|
13 |
Q340B06 |
Nut M6 |
1 |
|
|
14 |
Q40306 |
Washer 6 |
1 |
|
|
15 |
Q40106 |
Washer 6 |
1 |
|
|
16 |
Q150B0840TF2 |
Bolt M8×40 |
4 |
|
|
17 |
Q40308 |
Lock Washer 8 |
4 |
|
|
18 |
L3001-3407013B |
Key sleeve |
1 |
|
|
19 |
F3100-3509001 |
Air compressor gear |
1 |
|
|
20 |
Q1840865TF2 |
Bolt M8X65 |
1 |
|
|
21 |
Q/YC149-10 |
Seal washer 10 |
2 |
Eesy Wear Part |
|
22 |
150-3509023 |
Hollow bolt for oil |
1 |
|
|
23 |
Q1840860TF2 |
Bolt M8X60 |
2 |
|
|
24 |
F31FE-3509440 |
Air compressor water return pipe subassembly |
1 |
|
|
25 |
YC208-B10900F |
O-ring 2.65X109 |
1 |
Eesy Wear Part |
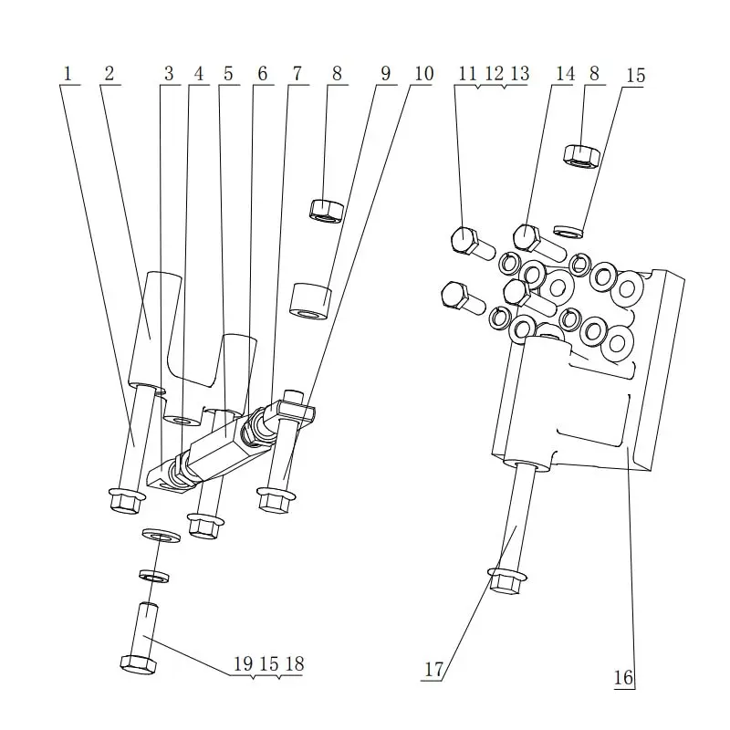
6、F50JM-3701000/01 Alternator Assembly

| Item |
Part No. |
Name |
Qty. |
Remark |
|
1 |
Q1841095TF2 |
Bolt M10X95 |
2 |
|
|
2 |
F3100-3701242A |
Strengthen plate |
1 |
|
|
3 |
231-3701034 |
Adjusting stud |
1 |
|
|
4 |
Q340B12 |
Nut |
1 |
|
|
5 |
231-3701033 |
Adjusting rod |
1 |
|
|
6 |
231-3701032 |
Locking nut |
1 |
|
|
7 |
231-3701031 |
Adjusting stud |
1 |
|
|
8 |
Q340B10 |
Nut |
2 |
|
|
9 |
F30SA-3701038 |
Cushion block I |
1 |
|
|
10 |
Q1841055TF2 |
Bolt |
1 |
|
|
11 |
Q150B0825TF2 |
Bolt |
2 |
|
|
12 |
Q40308 |
Washer |
4 |
|
|
13 |
Q40108 |
Washer |
4 |
|
|
14 |
Q150B0835TF2 |
Bolt |
2 |
|
|
15 |
Q40310 |
Washer |
2 |
|
|
16 |
F50JA-3701002 |
Alternator stand |
1 |
|
|
17 |
Q150B10130 |
Bolt M10X30 |
1 |
|
|
18 |
Q150B1030TF2 |
Bolt M10X30 |
1 |
|
|
19 |
Q40110 |
Lock Washer 10 |
1 |
Product Advantages
●100% Yuchai OEM Genuine Parts:Produced on Yuchai’s original production line, 1:1 matching the engine.
●Perfect Fitment:Precision-machined to meet YC4F115-30(F50SA) technical specifications, no modification needed.
●Durable&Reliable:High-quality materials, passed 300,000+ working hours test.
●Global Warranty:12-month warranty, free replacement for quality issues.
●One-Stop Supply:Covers all parts of the engine, simplifying procurement.
Payment & Shipping Terms
● MOQ: 1 piece
● Packaging: Customizable wooden crate/carton
● Delivery: 3-20 working days (express: DHL/FedEx; sea freight for bulk)
● Payment: L/C, T/T, Western Union; tracking number provided in 24hrs
● After-Sales Service:24-hour technical support, global service network

Sinotruk Parts
Shacman Parts
FAW Parts
Dongfeng Parts
Foton Parts
CHENGLONG PARTS
Golden Dragon Bus Parts
King Long Parts
Yutong Parts
Higer Parts
Zhongtong Parts
Ankai Parts





Mr. Perry Wu International Sales Director