Genuine YC4F115-30(F50SA) Engine Parts - Cylinder Block, Piston, Cylinder Head
|
Engine Model |
YC4F115-30(F50SA) |
|
Rated Power |
85kW (115HP) @ 3200 rpm |
|
Rated Torque |
285 N·m @ 2200 rpm |
|
Emission Standard |
Euro Ⅲ (GB17691-2005 China Ⅲ) |
|
Aspiration Method |
Turbocharged & Intercooled |
|
Application |
6m Bus, Pickup, SUV, Light-duty Commercial Vehicles |
Product Description
Confirm Compatibility
All parts are 100% compatible with Yuchai YC4F115-30(F50SA) turbocharged intercooled diesel engine. This 4-cylinder in-line model has 2.66L displacement, 85kW (115HP) rated power at 3200 rpm, and meets Euro Ⅲ standards. Widely used in 6m buses, pickups, SUVs, and light-duty commercial vehicles, our parts perfectly match the engine’s specs for daily maintenance or emergency repairs.
Parts Coverage
Our parts cover key systems of YC4F115-30(F50SA) (per Yuchai’s 2008 catalogue): cylinder block & head (with EWP-marked wear parts), lubrication (oil sump, pump, filter), fuel injection (injection pump, injector), cooling & turbo (water pump, thermostat, turbocharger), and electrical & auxiliary parts (alternator, starter, sensors), meeting all maintenance needs.
Quality Assurance
All parts adhere to Yuchai’s technical standards, referencing the 2008 YC4F115-30(F50SA) catalogue. EWP parts use high-durability materials and pass strict tests. We offer a 12-month warranty and 24-hour technical support with English guidance to ensure seamless installation and reliable performance.
Practical Tips
For accurate selection, refer to original part numbers or provide your engine’s production batch. Our parts suit routine maintenance, overhauls, and emergency repairs, efficiently restoring the YC4F115-30(F50SA) engine’s performance and minimizing vehicle downtime.
Detail Parts List
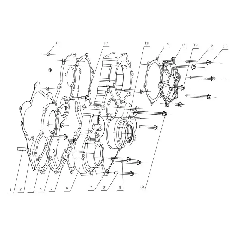
1、 F50JX-1002000/01 Cylinder Block Assembly


|
Item |
Part No. |
Name |
Qty. |
Remark |
|
1 |
F5000-1002100 |
Cylinder block parts |
1 |
Details see next page |
|
2 |
F3000-1002107B |
Cylinder water seal ring |
4 |
|
|
3 |
F3000-1002107A |
Cylinder water seal ring |
4 |
|
|
4 |
F3000-1002106B |
Cylinder liner |
4 |
Eesy Wear Part |
|
5 |
F3000-1002306A |
Idle gear shaft |
1 |
|
|
6 |
F3000-1002360 |
Idle gear subassembly |
1 |
|
|
7 |
F3000-1002307 |
Idle gear guard board |
1 |
|
|
8 |
Q/YC207-0840 |
Bolt |
3 |
|
|
9 |
F50JX-1002200 |
Gear housing |
1 |
Details see next page |
|
10 |
Q1840890TF2 |
Bolt M8X90 |
2 |
|
|
11 |
186-1002056A |
Adjusting bolt |
1 |
|
|
12 |
Q40310 |
Lock Washer 10 |
1 |
|
|
13 |
F3100-1002450 |
Tension belt pulley subassembly |
1 |
|
|
14 |
F3100-1002441 |
Bracket |
1 |
|
|
15 |
Q1840825TF2 |
Bolt M8X25 |
1 |
|
|
16 |
YC24-B0308 |
Straight pin B3X8 |
4 |
|
|
17 |
F3000-1002740A |
Nozzle subassembly |
4 |
|
|
18 |
430-1002163 |
Washer |
4 |
|
|
19 |
430-1002162B |
Hollow bolt for oil |
4 |
|
|
20 |
6105Q-1002022 |
Aluminum plug φ 10X10 |
3 |
|
|
21 |
YC24-0412 |
Straight pin 4X12 |
2 |
|
|
22 |
F3000-1002503 |
Rear oil seal seat gasket |
1 |
Eesy Wear Part |
|
23 |
F3000-1002501 |
Crankshaft rear oil seal seat |
1 |
|
|
24 |
YC209-090110FL |
Oil seal 90×110 |
1 |
Eesy Wear Part |
|
|
YC209-C090110PL |
Oil seal 90×110 |
1 |
Optional |
|
25 |
Q1840825 |
Bolt M8X25 |
7 |
2、F5000-1002100/04 Cylinder Block Parts

|
Item |
Part No. |
Name |
Qty. |
Remark |
|
1 |
F3000-1002114D |
Cylinder block |
1 |
|
|
|
F3000-1002114D* |
Cylinder block subassembly |
1 |
(including)1、 3、5、6、8、9、 12、13、14、15 |
|
2 |
6105Q-1002069 |
Rear main oil galley plug |
3 |
|
|
3 |
F3000-1002120 |
Camshaft sleeve |
5 |
|
|
4 |
F3000-1002110 |
Main oil gallery seal plug |
3 |
|
|
5 |
YC24-1218 |
Straight pin 12X18 |
1 |
|
|
6 |
F3000-1002123C |
Crankshaft tank |
1 |
|
|
7 |
Q72220 |
Bowl-type spacer 20 |
4 |
|
|
8 |
F3000-1002127B |
Main bearing cap long bolt |
4 |
|
|
9 |
Q72228 |
Bowl-type plug 28 |
5 |
|
|
10 |
F3000-1012001 |
Oil drain guide pipe |
1 |
|
|
11 |
Q72158 |
Spacer 58 |
1 |
|
|
12 |
F3000-1002162A |
Positioning pin |
1 |
|
|
13 |
F3000-1002126A |
Main bearing cap short bolt |
6 |
|
|
14 |
F3000-1002118A |
Main shaft cap bolt |
6 |
|
|
15 |
F3000-1003002A |
Cylinder head long bolt |
4 |
|
|
16 |
Q/YC901-3C14 |
Washer 14 |
1 |
|
|
17 |
A7100-14991-0 |
Shim |
1 |
3、F50JX-1002200/02 Gear Housing Parts

|
Item |
Part No. |
Name |
Qty. |
Remark |
|
1 |
F3100-1002127 |
Flat pin |
1 |
|
|
2 |
F3100-1002202 |
Gear housing cap plate |
1 |
Eesy Wear Part |
|
3 |
F5000-1002203A |
Gear chamber cover plate |
1 |
|
|
4 |
F3100-1002204 |
Gear box cover spacer |
1 |
Eesy Wear Part |
|
5 |
Q1840820TF2 |
Bolt M8×20 |
4 |
|
|
6 |
F5000-1002201B |
Gear house |
1 |
|
|
7 |
YC209-055080FR |
Oil seal 55×80 |
1 |
|
|
|
YC209-C055080PR |
Oil seal 55X80 |
1 |
Optional |
|
8 |
Q1840855 |
Bolt M8×55 |
7 |
|
|
9 |
Q1840860 |
Bolt M8×60 |
1 |
|
|
10 |
Q1840895 |
Bolt M8×95 |
2 |
|
|
11 |
Q1840880 |
Bolt M8X80 |
3 |
|
|
12 |
Q1840870 |
Bolt M8X70 |
1 |
|
|
13 |
Q1840816 |
Bolt M8X16 |
2 |
|
|
14 |
F5000-1002205 |
Injection pump gear cover |
1 |
|
|
15 |
F3100-1002206 |
Injection pump gear cover gasket |
1 |
Eesy Wear Part |
|
16 |
F3000-1002207A |
TDC pointer |
1 |
|
|
17 |
YC24-0616 |
Straight pin 6X16 |
1 |
|
|
18 |
Q32008 |
Nut M8 |
3 |
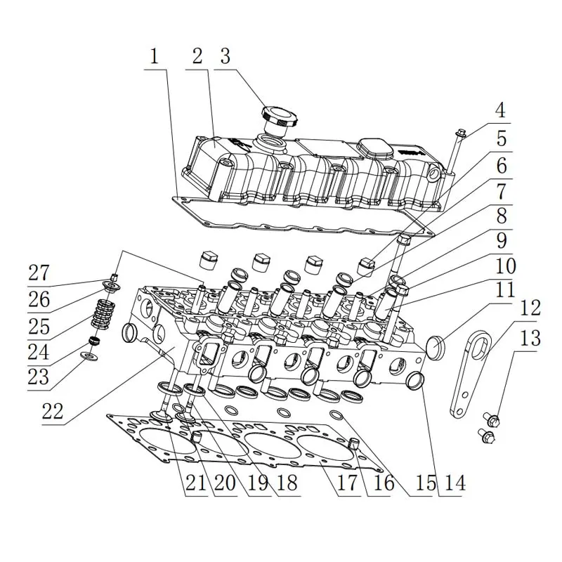
4、F5001-1003000/01 Cylinder Head & Cylinder Head Cover Assembly

|
Item |
Part No. |
Name |
Qty. |
Remark |
|
1 |
F3000-1003201B |
Cylinder head cover spacer |
1 |
Eesy Wear Part |
|
2 |
F3000-1003241C |
Cylinder head cover |
1 |
|
|
3 |
150-1003040F |
Oil filler cover subassembly |
1 |
|
|
4 |
Q1840880 |
Bolt M8X80 |
10 |
|
|
5 |
Q614B06 |
Screw plug |
4 |
|
|
6 |
F3000-1003002A |
Cylinder head long bolt |
14 |
|
|
7 |
F3000-1003171 |
Bolt sleeve |
4 |
|
|
8 |
F3000-1003172 |
Valve guide pipe |
8 |
|
|
9 |
F3000-1003003A |
Cylinder head short bolt |
4 |
|
|
10 |
F3000-1003119 |
Injector bush fitting |
4 |
|
|
11 |
Q72240 |
Bowl type plug |
1 |
|
|
12 |
F3000-1003151B |
Rear lifter |
1 |
|
|
13 |
Q1841025TF2 |
Bolt M10X25 |
2 |
|
|
14 |
Q72232 |
Bowl-type plug |
6 |
|
|
15 |
YC208-B01800S |
O-ring |
4 |
|
|
16 |
F3100-1003114A |
Cylinder head dowel pin sleeve |
2 |
|
|
17 |
F3000-1003001A |
Cylinder head gasket |
1 |
Eesy Wear Part |
|
|
F3000-1003001A-264 |
Cylinder head gasket |
1 |
Optional |
|
|
F3000-1003001A-B28 |
Cylinder head gasket |
1 |
Optional |
|
18 |
F3000-1003102A |
Exhaust valve seat ring |
4 |
|
|
19 |
F3000-1003103B |
Exhaust valve |
4 |
|
|
20 |
F3000-1003112 |
Intake valve seat ring |
4 |
|
|
21 |
F3000-1003111A |
Intake valve |
4 |
|
|
22 |
F5000-1003101 |
Cylinder head |
1 |
|
|
|
F5000-1003170 |
Cylinder head subassembly |
1 |
|
|
23 |
F3000-1003121 |
Rotary spacer |
8 |
|
|
24 |
L3000-1003105 |
Valve stem seal |
8 |
|
|
25 |
F3000-1003106S |
Valve spring |
8 |
|
|
26 |
F3000-1003116 |
Valve spring upper seat |
8 |
|
|
27 |
F3000-1003109 |
Valve stem locks |
16 |
5、F5000-1004000/03 Piston & Connecting Rod Assembly

|
Item |
Part No. |
Name |
Qty. |
Remark |
|
1 |
F3000-1004002A |
Gas ring |
4 |
Eesy Wear Part |
|
2 |
F3000-1004003A |
Fuel Scrap ring |
4 |
Eesy Wear Part |
|
3 |
F3000-1004100A |
Fuel ring parts |
4 |
Eesy Wear Part |
|
|
F3000-1004002A* |
Piston ring assembly |
4 |
|
|
4 |
F3000-1004001A |
Piston |
4 |
Eesy Wear Part |
|
5 |
F3000-1004004B |
Piston pin |
4 |
|
|
6 |
Q43034 |
Retainer 34 |
8 |
|
|
7 |
F3000-1004200C |
Connecting rod part |
4 |
|
|
8 |
F7000-1004005 |
Connecting rod shaft shell |
8 |
Eesy Wear Part |
Product Advantages
●100% Yuchai OEM Genuine Parts:Produced on Yuchai’s original production line, 1:1 matching the engine.
●Perfect Fitment:Precision-machined to meet YC4F115-30(F50SA) technical specifications, no modification needed.
●Durable&Reliable:High-quality materials, passed 300,000+ working hours test.
●Global Warranty:12-month warranty, free replacement for quality issues.
●One-Stop Supply:Covers all parts of the engine, simplifying procurement.
Payment & Shipping Terms
● MOQ: 1 piece
● Packaging: Customizable wooden crate/carton
● Delivery: 3-20 working days (express: DHL/FedEx; sea freight for bulk)
● Payment: L/C, T/T, Western Union; tracking number provided in 24hrs
● After-Sales Service:24-hour technical support, global service network

Sinotruk Parts
Shacman Parts
FAW Parts
Dongfeng Parts
Foton Parts
CHENGLONG PARTS
Golden Dragon Bus Parts
King Long Parts
Yutong Parts
Higer Parts
Zhongtong Parts
Ankai Parts





Mr. Perry Wu International Sales Director